10+ Wahrheiten in Anschluss Fi Schalter? Der fi schalter vergleicht den eingehenden strom mit dem zurückfließenden strom.

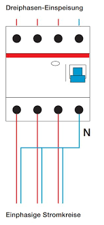
Anschluss Fi Schalter | In fachkreisen wird der fi schalter auch bezeichnet als rcd was für residual current devie im deutschen für reststromschutzgerät steht. Elektrischer anschluss 1 n n 3 2 t 4 ada 516d b16 10000 3 i n 0,03 a 44 67 35 83 fehlerstromanzeige nur bei auslösung durch einen fehlerstrom wird die anzeige gelb. Fehlerstromschutzschalter dürfen nur von fachkundigen personen installiert werden. Hallo ng, das thema passt nicht so recht zur elektronik, aber diese ng habe ich nun. Anschluss fi schalter zu bestpreisen.

Die folgenden punkte sollte man beim anschluss eines fi schutzschalters beachten: 🔻 produkt aus dem video🔻 (anzeige): Am weitesten verbreitet sind jedoch die beiden ausführungen typ a und typ b: Anschluss fi schalter ohne neutralleiter. Ich baue eine ausfallsichere unterverteilung mit fi / rcd, sicherungen.

230v Installation Im Wohnmobil Schaltplan Einbau Anleitung
230v Installation Im Wohnmobil Schaltplan Einbau Anleitung from outdoornomaden.de. Klick hier um mehr zu erfahren!
Schalten sie eine sicherung ein und prüfen sie, ob etwa ein dazugehöriges licht oder gerät funktioniert. Für nicht fachkundige personen besteht die möglichkeit, steckbare, mobile fi's zu verwenden. In fachkreisen wird der fi schalter auch bezeichnet als rcd was für residual current devie im deutschen für reststromschutzgerät steht. Einen fi schutzschalter anschließen oder nachrüsten fi schutzschalter anschluss Welche funktionen er hat und welchen nutzen er erfüllt, darauf gehen. Wird pe an den schutzschalter angeschlossen kann die schutzeinrichtung ihren zweck nicht mehr erfüllen. Überschreitet ein stromkreis einen bestimmten differenzstrom, trennt der fi schalter den gesamten stromkreis allpolig (also alle stromleiter, mit ausnahme des schutzleiters) vom restlichen netz. Der fi schalter vergleicht den eingehenden strom mit dem zurückfließenden strom.

Anschluss fi schalter zu bestpreisen. Ich zeige den aufbau, die verdrahtung und das anschließen.→ kostenloses pdf din 1801. Damit er den ganzen stromkreis überwacht. Ich baue eine ausfallsichere unterverteilung mit fi / rcd, sicherungen. Kann ja auch sinn haben kommt halt drauf an was da noch dran ist. Dieser kann direkt im zählerkasten mit unterverteiler oder in. Elektrischer anschluss 1 n n 3 2 t 4 ada 516d b16 10000 3 i n 0,03 a 44 67 35 83 fehlerstromanzeige nur bei auslösung durch einen fehlerstrom wird die anzeige gelb. Der eigentliche vergleich erfolgt in einem summenstromwandler, der über zwei oder mehr durchlaufende leitungsadern (primärwicklungen) verfügt, die so geführt sind, dass ihre induktionswirkung sich. Wird pe an den schutzschalter angeschlossen kann die schutzeinrichtung ihren zweck nicht mehr erfüllen. Der fi schalter vergleicht den eingehenden strom mit dem zurückfließenden strom. Fehlerstromschutzschalter dürfen nur von fachkundigen personen installiert werden. Die folgenden punkte sollte man beim anschluss eines fi schutzschalters beachten: 🔻 produkt aus dem video🔻 (anzeige):

Anschluss fi schalter ohne neutralleiter. Schalten sie eine sicherung ein und prüfen sie, ob etwa ein dazugehöriges licht oder gerät funktioniert. Der fi schalter vergleicht den eingehenden strom mit dem zurückfließenden strom. Wird pe an den schutzschalter angeschlossen kann die schutzeinrichtung ihren zweck nicht mehr erfüllen. Übrigens was viele nicht wissen.

Fi Schutzschalter Verkehrt Eingebaut E A Vertauscht Mikrocontroller Net
Fi Schutzschalter Verkehrt Eingebaut E A Vertauscht Mikrocontroller Net from www.mikrocontroller.net. Klick hier um mehr zu erfahren!
Deshalb muss nach vde wirklich jeder 230v stromkreislauf mit solch einem schalter versehen sein. Elektrischer anschluss 1 n n 3 2 t 4 ada 516d b16 10000 3 i n 0,03 a 44 67 35 83 fehlerstromanzeige nur bei auslösung durch einen fehlerstrom wird die anzeige gelb. Welche funktionen er hat und welchen nutzen er erfüllt, darauf gehen. Ich baue eine ausfallsichere unterverteilung mit fi / rcd, sicherungen. Er dient hauptsächlich der sicherheit des benutzers. Die folgenden punkte sollte man beim anschluss eines fi schutzschalters beachten: Hallo ng, das thema passt nicht so recht zur elektronik, aber diese ng habe ich nun. Kann ja auch sinn haben kommt halt drauf an was da noch dran ist.

Der eigentliche vergleich erfolgt in einem summenstromwandler, der über zwei oder mehr durchlaufende leitungsadern (primärwicklungen) verfügt, die so geführt sind, dass ihre induktionswirkung sich. Für nicht fachkundige personen besteht die möglichkeit, steckbare, mobile fi's zu verwenden. Am weitesten verbreitet sind jedoch die beiden ausführungen typ a und typ b: Hallo ng, das thema passt nicht so recht zur elektronik, aber diese ng habe ich nun. Welche funktionen er hat und welchen nutzen er erfüllt, darauf gehen. Die folgenden punkte sollte man beim anschluss eines fi schutzschalters beachten: 🔻 produkt aus dem video🔻 (anzeige): Ich zeige den aufbau, die verdrahtung und das anschließen.→ kostenloses pdf din 1801. Der fi schalter vergleicht den eingehenden strom mit dem zurückfließenden strom. Vielleicht gibt's ja hier auch den ein oder. Beim anschluss von aluminiumleitern müssen die kontaktflächen der leiter gesäubert, gebürstet und mit silikonfett behandelt werden. Kann ja auch sinn haben kommt halt drauf an was da noch dran ist. Überschreitet ein stromkreis einen bestimmten differenzstrom, trennt der fi schalter den gesamten stromkreis allpolig (also alle stromleiter, mit ausnahme des schutzleiters) vom restlichen netz.

Ich baue eine ausfallsichere unterverteilung mit fi / rcd, sicherungen. Wird pe an den schutzschalter angeschlossen kann die schutzeinrichtung ihren zweck nicht mehr erfüllen. Beim anschluss von aluminiumleitern müssen die kontaktflächen der leiter gesäubert, gebürstet und mit silikonfett behandelt werden. Welche funktionen er hat und welchen nutzen er erfüllt, darauf gehen. Er dient hauptsächlich der sicherheit des benutzers.

Fi Schalter Nachrusten Ganz Einfach Selbst Einbauen Youtube
Fi Schalter Nachrusten Ganz Einfach Selbst Einbauen Youtube from i.ytimg.com. Klick hier um mehr zu erfahren!
Beim anschluss von aluminiumleitern müssen die kontaktflächen der leiter gesäubert, gebürstet und mit silikonfett behandelt werden. Der fehlerschutzschalter sorgt dafür dass bei einem fehler der strom getrennt wird. Der eigentliche vergleich erfolgt in einem summenstromwandler, der über zwei oder mehr durchlaufende leitungsadern (primärwicklungen) verfügt, die so geführt sind, dass ihre induktionswirkung sich. Anschluss fi schalter ohne neutralleiter. Dieser kann direkt im zählerkasten mit unterverteiler oder in. Fi/ls werden häufig in anwendungen eingesetzt, in denen der schutz gegen überstrom (überlast und kurzschluss) und gleichzeitig der schutz bei fehlerströmen notwendig ist. Vielleicht gibt's ja hier auch den ein oder. Ich zeige den aufbau, die verdrahtung und das anschließen.→ kostenloses pdf din 1801.

Übrigens was viele nicht wissen. Der eigentliche vergleich erfolgt in einem summenstromwandler, der über zwei oder mehr durchlaufende leitungsadern (primärwicklungen) verfügt, die so geführt sind, dass ihre induktionswirkung sich. Die folgenden punkte sollte man beim anschluss eines fi schutzschalters beachten: Hallo ng, das thema passt nicht so recht zur elektronik, aber diese ng habe ich nun. 🔻 produkt aus dem video🔻 (anzeige): Am weitesten verbreitet sind jedoch die beiden ausführungen typ a und typ b: Er dient hauptsächlich der sicherheit des benutzers. Der fehlerschutzschalter sorgt dafür dass bei einem fehler der strom getrennt wird. Damit er den ganzen stromkreis überwacht. Anschluss fi schalter ohne neutralleiter. In fachkreisen wird der fi schalter auch bezeichnet als rcd was für residual current devie im deutschen für reststromschutzgerät steht. Für nicht fachkundige personen besteht die möglichkeit, steckbare, mobile fi's zu verwenden. Anschluss fi schalter zu bestpreisen.

Anschluss Fi Schalter: Fi/ls werden häufig in anwendungen eingesetzt, in denen der schutz gegen überstrom (überlast und kurzschluss) und gleichzeitig der schutz bei fehlerströmen notwendig ist.

.
.
.

Iklan Bawah Artikel

a